Locking Blocks- With Angular Hole Process
JH056-2
| Type | Material | Hardness | Heat Treatment |
| JH056-2 | SKS3 | 53~56HRC | Vacuumed |
| Type | Material | Hardness | Heat Treatment |
| JH056-2 | SKS3 | 53~56HRC | Vacuumed |

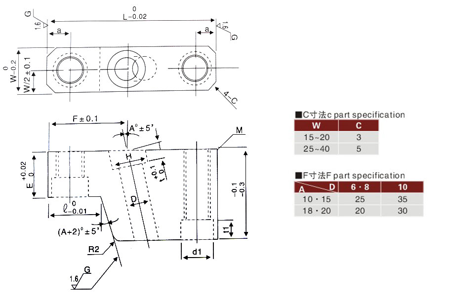
| DH7 | H | t | d1 | t1 | M | L | T | l | E | a | Catalog No. | W | A | ||
| Type | D | ||||||||||||||
| 6 | +0.012 0 |
11 | 5 | 11 | 6.5 | 8 | 55 | 30 | 16 | 15 | 7 | JH056-2 | 6 | 15 20 25 | 10° 15° 18° 20° |
| 8 | +0.015 0 |
13 | 5 | 8 | 15 20 25 | ||||||||||
| 10 | 16 | 10 | 14 | 8.6 | 10 | 70 | 40 | 20 | 20 | 9 | 10 | 25 30 35 40 | |||
| 10 | +0.015 0 |
16 | 10 | 14 | 8.6 | 10 | 70 | 48 | 48 | 30 | 25 | JH056-3 | 10 | 45 | 10° 15° 18° 20° |
| 75 | 28 | 50 55 | |||||||||||||
| 13 | +0.018 0 |
19 | 55 | 50 | 35 | 13 | 55 60 65 70 | ||||||||
| 16 | 21 | 13 | 16 | 55 60 65 70 | |||||||||||
●Order: Catalog No. DxWxA
Remark:
1.Special product is available.
2.The price is per the provided drawing.